The gearbox oil has been replaced by my mechanic.g8dhe wrote: Sat Feb 08, 2025 2:08 pm The translations and naming's seem to vary a lot depends I suspect on the sources of information if you look up in the gearbox manual you will see that a lot of the selections is on the basis of the two main gear choices and then the various epicyclic combinations give the other gear ratios.
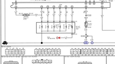
The display temperature gauge has no other input to any of the vehicle systems its only for the display alone if you look at the diagrams. There is another temperature sensor (2-pin types) that measures the temperature feeding the ECU. The gearbox has its own sensors internally feeding into the gearbox electronic controls.
I presume you have checked the state of the ATF and its not dirty or burnt ?
I know how to use a voltmeter, a screwdriver and a socket set.
If I knew where to probe I could maybe diagnose to some degree.
Other than that I am destined to drive in third gear max...




