Front heater
Moderators: Doone, westonwarrior
-
Greenmachine96
- Bongonaut
- Posts: 72
- Joined: Sat Oct 28, 2023 9:07 pm
Front heater
Hi
New post - same old problem. Front heater not working.
Followed as much info as I can.
Dismantled blower and hooked to a 12v. Spins beautiful and spins freely by hand. Possibly could be slightly smoother. No debris leaves or muck.
Whole resistor replaced with a known working one. What's the other thing behind that, under the hinges cover?
I do get some volts from the blower supply (after I disconnected the the blower itself) so power does seem to be getting through but perhaps not enough?
The 30A fuse is fine.
Anything else to check? I've had an issue with the drivers door loom - any cables there I may have disturbed?
Thanks
New post - same old problem. Front heater not working.
Followed as much info as I can.
Dismantled blower and hooked to a 12v. Spins beautiful and spins freely by hand. Possibly could be slightly smoother. No debris leaves or muck.
Whole resistor replaced with a known working one. What's the other thing behind that, under the hinges cover?
I do get some volts from the blower supply (after I disconnected the the blower itself) so power does seem to be getting through but perhaps not enough?
The 30A fuse is fine.
Anything else to check? I've had an issue with the drivers door loom - any cables there I may have disturbed?
Thanks
Re: Front heater
You need to give us some info! What type of controls - older manual or more recent electronic controls?
What is the actual problem, is the air blowing thru, is it not heating, cooling or are the directions wrong ?
Are any of the vents, windscreen, face, sides or feet functioning?
No the door looms aren't a factor at all.
What is the actual problem, is the air blowing thru, is it not heating, cooling or are the directions wrong ?
Are any of the vents, windscreen, face, sides or feet functioning?
No the door looms aren't a factor at all.
Geoff
2001 Aero V6, AFT, full side conversion.
2001 Aero V6, AFT, full side conversion.
-
Greenmachine96
- Bongonaut
- Posts: 72
- Joined: Sat Oct 28, 2023 9:07 pm
Re: Front heater
Thanks Geoff
Electronic controls. They work and you can select mode etc. vents all work.
No air blowing through at all on any level of fan setting.
Rear blower works fine and can be operated from the front.
I've now sussed that there is no 12v entering the blower. I get about .4v on the pos supply terminal I believe all the resistors etc are earth side, so they, and the motor itself is not the issue.
I believe it's a relay that turns the blower on which has gone bad or a wire supplying the power. Any idea where the relay is? No idea how to trace the wires (for reference blue is pos and black blue is the earth) as they enter large bound up looms. Any help would be great.
Electronic controls. They work and you can select mode etc. vents all work.
No air blowing through at all on any level of fan setting.
Rear blower works fine and can be operated from the front.
I've now sussed that there is no 12v entering the blower. I get about .4v on the pos supply terminal I believe all the resistors etc are earth side, so they, and the motor itself is not the issue.
I believe it's a relay that turns the blower on which has gone bad or a wire supplying the power. Any idea where the relay is? No idea how to trace the wires (for reference blue is pos and black blue is the earth) as they enter large bound up looms. Any help would be great.
Re: Front heater
Yup or could be transistor blown (no resistors on electronic version) check if it runs at full speed when the by-pass relay operates, need to check both ends of the motor etc.
Geoff
2001 Aero V6, AFT, full side conversion.
2001 Aero V6, AFT, full side conversion.
-
Greenmachine96
- Bongonaut
- Posts: 72
- Joined: Sat Oct 28, 2023 9:07 pm
Re: Front heater
Thanks Geoff
What's the bypass relay?
I can't get it running at any speed. Completely dead from the controls.
Also I've already replaced the resistor pack (which I thought had the transistor inside it) with a known working one. And that they were on the earth side, after the power supply in - which is lacking on mine.
When you say both ends of the motor - what do you mean?. I can get it to run off a direct 12v. from battery. What ends do you mean?
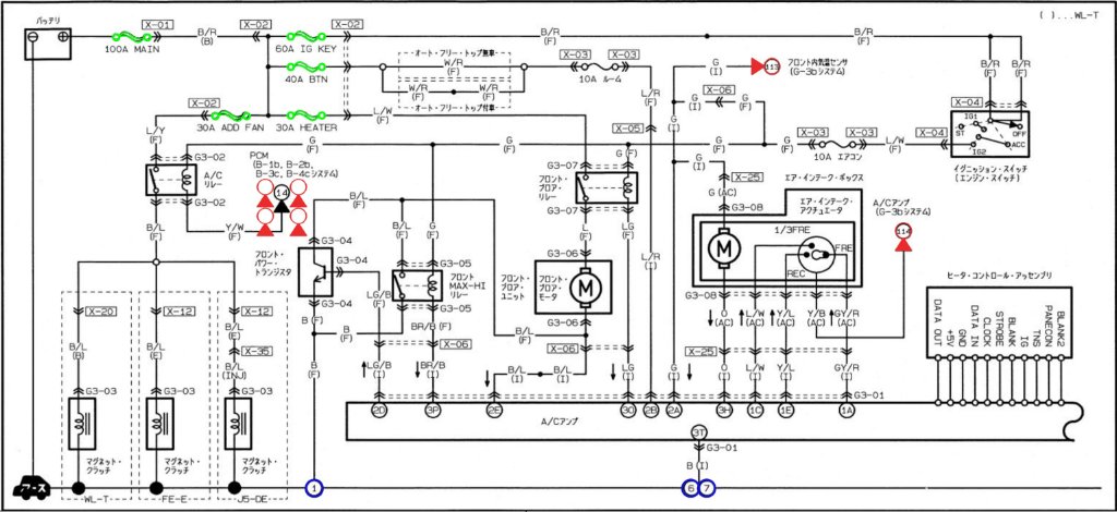
From the diagra, my guess would be relay g3-07 to get power to the motor. Where is that so I can test it. Thanks!
What's the bypass relay?
I can't get it running at any speed. Completely dead from the controls.
Also I've already replaced the resistor pack (which I thought had the transistor inside it) with a known working one. And that they were on the earth side, after the power supply in - which is lacking on mine.
When you say both ends of the motor - what do you mean?. I can get it to run off a direct 12v. from battery. What ends do you mean?
From the diagra, my guess would be relay g3-07 to get power to the motor. Where is that so I can test it. Thanks!
Re: Front heater
The transistor is used to control the speed in place of the resistors in the older versions, however there is always a small voltage drop across the transistor so they have a relay - G3-05 - to by-pass it when full speed is selected. On off control is carried out by the other relay G3-07.
Geoff
2001 Aero V6, AFT, full side conversion.
2001 Aero V6, AFT, full side conversion.
-
Greenmachine96
- Bongonaut
- Posts: 72
- Joined: Sat Oct 28, 2023 9:07 pm
Re: Front heater
Sorted. Earth problem.
Found the fix from this guy
https://www.youtube.com/watch?v=zJ-ctfHYFz4
Thanks for helping help and info Geoff
Found the fix from this guy
https://www.youtube.com/watch?v=zJ-ctfHYFz4
Thanks for helping help and info Geoff
Re: Front heater
As the original question's resolved I'm going to hijack the thread to ask a related one; Are all Bongo front blowers really weak?
Mine is a manual control model and the front blower was seized when I bought the van so I rebuilt it and the resistor pack. The earth is good, fan spins smoothly and easily but even on top speed it'll barely ruffle my beard. Is this normal?
Mine is a manual control model and the front blower was seized when I bought the van so I rebuilt it and the resistor pack. The earth is good, fan spins smoothly and easily but even on top speed it'll barely ruffle my beard. Is this normal?
1995 2wd diesel auto AFT 'Montague' rear conversion.
Re: Front heater
First make sure the speed control for the fan is working in all positions if so then quite often a blocked cooling radiator for the aircon can be the cause of this, remove the entire blower assembly and where the blown air enters the internal system there is a radiator for cooling down the incoming air which also of course intercepts all the dust and dirt as there is very little to none filtering prior to this point. Its a fiddly job to clean the radiator but a small pick and brush can get rid of most of the problem if this is the cause.
The dust and dirt tends to stick here as on hot humid days the moisture condenses on the radiator trapping the dust and dirt, before it enters the internal system, where it is heated if required back to the required temperature.
Geoff
2001 Aero V6, AFT, full side conversion.
2001 Aero V6, AFT, full side conversion.




