Bongo Wiring Manuals

Technical questions and answers about the Mazda Bongo

Moderators: Doone, westonwarrior

User avatar
JimLad
Apprentice Bongonaut
Posts: 9
Joined: Mon Jul 27, 2020 1:25 pm
Location: Reading

Re: Bongo Wiring Manuals

Post by JimLad » Sat Oct 02, 2021 2:13 pm

Hi, are the manuals still available to download from anywhere? I couldn't see any links on page 1 of this thread.
I've got an electrical issue with my fan speeds. My mechanic tells me the connection isn't grounded, so I thought I'd try and find some info on it.
I've got a 97 2.5 TD

Thanks
User avatar
g8dhe
Supreme Being
Posts: 10965
Joined: Sun Apr 13, 2008 10:06 pm
Location: Worthing, West Sussex.

Re: Bongo Wiring Manuals

Post by g8dhe » Sat Oct 02, 2021 2:59 pm

I believe Ian is still selling the PDF documents. my web site is no longer directly available with the demise of Flash. I can however still paste copies up here of the relevant pages not sure which type of controller you have as there are two types the Climate Control electronic style or the older slider style;
front heater climate control.JPG
Front heater manual control.JPG
Geoff
2001 Aero V6, AFT, full side conversion.
User avatar
JimLad
Apprentice Bongonaut
Posts: 9
Joined: Mon Jul 27, 2020 1:25 pm
Location: Reading

Re: Bongo Wiring Manuals

Post by JimLad » Mon Oct 04, 2021 4:56 am

Oh sorry yes, mine is the electronic style.
Can I presume that's the first image?
Thank you so much, you're a life saver! [-o<
User avatar
g8dhe
Supreme Being
Posts: 10965
Joined: Sun Apr 13, 2008 10:06 pm
Location: Worthing, West Sussex.

Re: Bongo Wiring Manuals

Post by g8dhe » Mon Oct 04, 2021 8:57 am

Yes its the first diagram above for the electronic version.
Geoff
2001 Aero V6, AFT, full side conversion.
mitchelln
Bongolier
Posts: 188
Joined: Wed Jun 21, 2017 12:39 pm
Location: Dorset

Re: Bongo Wiring Manuals

Post by mitchelln » Thu Jan 27, 2022 6:27 pm

Hi.

I'm looking for the ECU harness pin out or if that's not available the pin out for the 2L distributor wiring (2003). Is this available anywhere please?
Working on a little project...

Thanks!
Black Aero City Runner 2L petrol with full side conversion
User avatar
g8dhe
Supreme Being
Posts: 10965
Joined: Sun Apr 13, 2008 10:06 pm
Location: Worthing, West Sussex.

Re: Bongo Wiring Manuals

Post by g8dhe » Fri Jan 28, 2022 10:24 am

The diagrams on the Web never went upto 2003 however I think Ian has PDF's for 2003 versions ? The older distributor wiring is shown below;
FE-E_distributor.jpg
Geoff
2001 Aero V6, AFT, full side conversion.
mitchelln
Bongolier
Posts: 188
Joined: Wed Jun 21, 2017 12:39 pm
Location: Dorset

Re: Bongo Wiring Manuals

Post by mitchelln » Fri Jan 28, 2022 10:36 am

That's great, thanks. I'm after the pins for the cam and crank position sensor outputs to start with. I'm pretty sure I've identified them using an oscilloscope, but would like to confirm. Looks like we have a match :)
Are the 2003 diagrams available anywhere please?

Thanks for your help with this.
Black Aero City Runner 2L petrol with full side conversion
Ian
Supreme Being
Posts: 6032
Joined: Wed Jun 09, 2004 2:47 pm
Location: Bongo Mission Control

Re: Bongo Wiring Manuals

Post by Ian » Fri Jan 28, 2022 10:57 am

mitchelln wrote: Fri Jan 28, 2022 10:36 amAre the 2003 diagrams available anywhere please?
I'm away until Monday but if you email me when I'm back I'll see what I can dig out. [email protected]
668. The Neighbour of The Beast.
mitchelln
Bongolier
Posts: 188
Joined: Wed Jun 21, 2017 12:39 pm
Location: Dorset

Re: Bongo Wiring Manuals

Post by mitchelln » Fri Jan 28, 2022 10:59 am

That's brilliant. Thanks Ian!
Black Aero City Runner 2L petrol with full side conversion
Laurys
Apprentice Bongonaut
Posts: 3
Joined: Tue Nov 29, 2022 6:59 pm

Re: Bongo Wiring Manuals

Post by Laurys » Wed Nov 30, 2022 9:00 am

Hello Everybody,

I've got a 88 VW T3 with Mazda Bongo electric pop top Roof project. I don't have wiring loom so I have to make it.
Mabe someone could help me with some electric roof wiring digrams?
User avatar
g8dhe
Supreme Being
Posts: 10965
Joined: Sun Apr 13, 2008 10:06 pm
Location: Worthing, West Sussex.

Re: Bongo Wiring Manuals

Post by g8dhe » Wed Nov 30, 2022 9:45 am

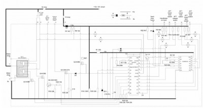
AFT Computer-1.jpg
AFT-1.jpg
AFT-2.jpg
Geoff
2001 Aero V6, AFT, full side conversion.
Laurys
Apprentice Bongonaut
Posts: 3
Joined: Tue Nov 29, 2022 6:59 pm

Re: Bongo Wiring Manuals

Post by Laurys » Thu Dec 01, 2022 11:02 am

Thank you g8dhe!!!
Laurys
Apprentice Bongonaut
Posts: 3
Joined: Tue Nov 29, 2022 6:59 pm

Re: Bongo Wiring Manuals

Post by Laurys » Thu Dec 01, 2022 11:25 am

g8dhe wrote: Wed Nov 30, 2022 9:45 am AFT Computer-1.jpg
AFT-1.jpg
AFT-2.jpg
Would it be possible to get a better quality of picture AFT-1? The letters ar so blured...
User avatar
g8dhe
Supreme Being
Posts: 10965
Joined: Sun Apr 13, 2008 10:06 pm
Location: Worthing, West Sussex.

Re: Bongo Wiring Manuals

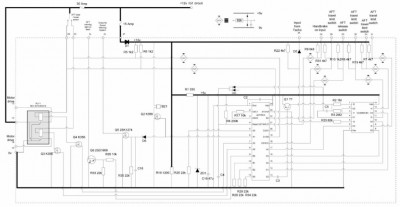
Post by g8dhe » Thu Dec 01, 2022 2:54 pm

These might be slightly higher resolution, but as you don't have Flash available then they can only be screen grabs;
AFT Computer-1.jpg
AFT-1.jpg
AFT-2.jpg
Geoff
2001 Aero V6, AFT, full side conversion.
User avatar
g8dhe
Supreme Being
Posts: 10965
Joined: Sun Apr 13, 2008 10:06 pm
Location: Worthing, West Sussex.

Re: Bongo Wiring Manuals

Post by g8dhe » Tue Mar 28, 2023 11:06 am

Hi, the wiring diagrams are still on line here http://www.g8dhe.net/bwm/ but you need a browser that can handle the old Adobe Flash system
The only browser that can still handle the files is the Chinese based one that was allowed by Adobe to continue using the Flash system which can be downloaded here https://pdds-cdn.ucweb.com/8-0/UCBrowse ... 10215).exe

They go to great lengths to try to get you to download various other versions, which don't still support Flash, I have given you a link to the exact spot I downloaded but watch out for spurious links to other types of UC Browser! It works fine but I can't say what else might be built in so use at your own risk 😉
Geoff
2001 Aero V6, AFT, full side conversion.
Post Reply

Return to “Techie Stuff”