David <
[email protected]>
18:42 (0 minutes ago)
to me
g8dhe wrote: Fri Jul 02, 2021 4:58 pm
Ah ha! yes Wiring diagrams are still on my server using Flash which is no longer available

The rest of the Fuse & Lamp info is still available on
http://www.g8dhe.net/bwm
I can't see any wiring diagrams on this link
However I do still have access to Flash and can post relevant pages up, also Ian thru the shop can still supply PDF's of the original untranslated documents.
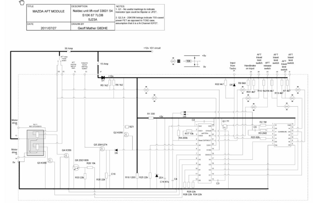
Yes, some wiring diagrams will be most helpful. I have documented the wiring colours at the roof switch and at the module at the rear o/s. I wanted to check if there is live supply from the switch at the module. Do you, or anyone else, know what colour wire or pin number I can check if the module is getting the switch live. It's difficult to know what's feeding what without wiring diagrams.
The connector 'out' of the roof module has 4 wires...Black, Blue, Green & Red. I'm presuming that these are feeding the motors ( as a pair)?
I was thinking if I could put power to these connectors directly it would eliminate the module and check motor operation? It might just jolt them into operation as you described by pressing the switch LOTS as you recommended.
Do you know what voltage to apply and which connections (colour pair) I connect the power to? I don't want to apply 12 volts until I know for sure that the motors ARE 12v in case I do harm to the motors by applying the incorrect voltage. I'm assuming that one colour is powered for motor UP and the other wire is for motor DOWN?
if so, I just need to know which pair feed each motor, hence why I need a wiring diagram.
Right as to stuck roof problems - see below (if you get to the Beeping stage then electronics are not the problem).
When I embarked on my 1st resurrection attempt back in 2019 the module was bleeping, but no lift. Now, 2 years later there is no bleeping.
Make sure that;
The engine is running.
Mmmm, I don't remember whether the engine was running or not. Is this a specific criteria? ie. Is there some sort of sensor to detect and confirm that it is running? Or is it just to prevent the battery draining?
The handbrake is on and the brake light on the dash is lit ??
Yes, the brake indicator light illuminates
Now press Up the bleeping should start ??
If not then check the fuses (not likely but easy to do).
I have checked fuse #12 in the fuse board, this is ok. You say "fuses" plural, are there others to check?
I have checked the switch operation using my multimeter, I get continuity on open and close and cleaned the electrical connecting pins, i have also cleaned all the connections on the multipin plug connections on the roof module.
However I will clean the contacts as shown on the vid for completeness whilst I have it out.
If they are OK and its bleeping, then check the rubber seal isn't stuck to the roof with age, run a card around to release it.
OK, ill try that. I have used the pressure washer all around the seal as it had lots of moss encrustment.
If that is OK then operate the Up then Down switch LOTS of times, it might be a dirty switch contacts or it could be corroded motors, by turning the motors even a little bit it might free up the corrosion and let you get the roof up.
I have tried this, but as there is no beeping it won't affect the motors will it?
Finally mechanical things NEED to be used, it causes the oil grease to spread out rather than pool and helps to reduce corrosion. Don't leave things unused for months on end....
MONTHS!... its been YEARS!
Many thanks for your patience & guidance.