Passenger side door latch
Moderators: Doone, westonwarrior
- turfite9999
- Bongonaut
- Posts: 83
- Joined: Wed Jan 31, 2018 1:50 pm
- Location: Blackpool
Passenger side door latch
Hi bongonoughts
Can anyone tell me how to remove and replace door latch, I cant seem to be able to shut door, maybe its twisted or jammed.
I have removed inner trim but cant get passed the steel panel for all the workings i.e. window mechanism, lock handle.
Hope someone can help, many thanks in advance
Tony, [email protected]
Can anyone tell me how to remove and replace door latch, I cant seem to be able to shut door, maybe its twisted or jammed.
I have removed inner trim but cant get passed the steel panel for all the workings i.e. window mechanism, lock handle.
Hope someone can help, many thanks in advance
Tony, [email protected]
Re: Passenger side door latch
Do you mean the sliding door or passenger door ?
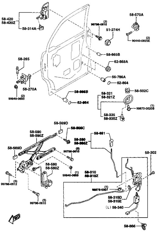
Have you tried the mechanical parts drawing site for more info ? http://www.lushprojects.com/bongopartsmk2/
Have you tried the mechanical parts drawing site for more info ? http://www.lushprojects.com/bongopartsmk2/
Geoff
2001 Aero V6, AFT, full side conversion.
2001 Aero V6, AFT, full side conversion.
- turfite9999
- Bongonaut
- Posts: 83
- Joined: Wed Jan 31, 2018 1:50 pm
- Location: Blackpool
Re: Passenger side door latch
Hi Ian sent me plans (thank you Ian) but cant get to them unless inner STEEL panels can be removed
Regards
Tony
Regards
Tony
- turfite9999
- Bongonaut
- Posts: 83
- Joined: Wed Jan 31, 2018 1:50 pm
- Location: Blackpool
Re: Passenger side door latch
Sorry passenger door
Re: Passenger side door latch
This video might help, just ignore the first bit about the tailgate.
https://www.youtube.com/watch?v=al91xf0hLuE
Looking at it I recon you should be able to remove the latch once the panel is off and you remove the screws holding it from the door edge.
https://www.youtube.com/watch?v=al91xf0hLuE
Looking at it I recon you should be able to remove the latch once the panel is off and you remove the screws holding it from the door edge.
- turfite9999
- Bongonaut
- Posts: 83
- Joined: Wed Jan 31, 2018 1:50 pm
- Location: Blackpool
Re: Passenger side door latch
Thanks Bob and others for help so far will attempt something when weather a little better
Tony
Tony
- turfite9999
- Bongonaut
- Posts: 83
- Joined: Wed Jan 31, 2018 1:50 pm
- Location: Blackpool
Re: Passenger side door latch
Hi again guys, trying again to replace or fix front passenger door latch, do you think I`ll have to cut out the steel panel to replace? finding it hard to get to after removing door trim.
Thank you in advance
Tony
Thank you in advance
Tony
Re: Passenger side door latch
Which bit are you trying to gain access to ?
The loop - striker on the "B" pillar 58-570A ?
The motor / lock within the door 58-340 ?
The loop - striker on the "B" pillar 58-570A ?
The motor / lock within the door 58-340 ?
Geoff
2001 Aero V6, AFT, full side conversion.
2001 Aero V6, AFT, full side conversion.
- turfite9999
- Bongonaut
- Posts: 83
- Joined: Wed Jan 31, 2018 1:50 pm
- Location: Blackpool
Re: Passenger side door latch
Hi Geoff thanks for your question, it1s the latch 58-302 I think which locks onto 58-570
regards
Tony
regards
Tony
Re: Passenger side door latch
58-302 is the screw that holds the locking mechanism in place, if you unscrew that then the motor and lock itself will come out of the door once you have released the wire links to the handle and locking button full details of the mechanism here http://www.lushprojects.com/bongopartsm ... no=.html#5 which holds all the mechanical/parts diagrams .
Geoff
2001 Aero V6, AFT, full side conversion.
2001 Aero V6, AFT, full side conversion.
- turfite9999
- Bongonaut
- Posts: 83
- Joined: Wed Jan 31, 2018 1:50 pm
- Location: Blackpool
Re: Passenger side door latch
thanks geoff I will try that
Tony
Tony
- turfite9999
- Bongonaut
- Posts: 83
- Joined: Wed Jan 31, 2018 1:50 pm
- Location: Blackpool
Re: Passenger side door latch
Hi bongonoughts
I know it`s not a usual problem but has anyone ever changed the latch/locking mechanism on passenger side door please.
If so please could you advise how to do it or to access it?
Many thanks in advance
Tony
I know it`s not a usual problem but has anyone ever changed the latch/locking mechanism on passenger side door please.
If so please could you advise how to do it or to access it?
Many thanks in advance
Tony
- turfite9999
- Bongonaut
- Posts: 83
- Joined: Wed Jan 31, 2018 1:50 pm
- Location: Blackpool
Re: Passenger side door latch
hi guys sliding door started doing same, I have lost my fuse box diagram please could someone send me a link.
Under bonnet and in cab
Thank you in advance
Tony
Under bonnet and in cab
Thank you in advance
Tony
Re: Passenger side door latch
All the fuses and lights are listed with function and replacement source here http://www.g8dhe.net/bwm
Have you managed to get into the passenger door lock yet ?
Have you managed to get into the passenger door lock yet ?
Geoff
2001 Aero V6, AFT, full side conversion.
2001 Aero V6, AFT, full side conversion.
- turfite9999
- Bongonaut
- Posts: 83
- Joined: Wed Jan 31, 2018 1:50 pm
- Location: Blackpool
Re: Passenger side door latch
Hi Geoff,
thanks for the reply regarding fuses and the link,
The central locking seems to be working and I think I can get the latch out, I`m a little afraid of taking it out completely due to restricted accesses. I think it could be the arm that connects to the latch or the motor that operates the latch, (chicken and egg) The latch seems to be stuck so the doors wont close, just bangs against the catch bar (if you know what I mean) I may have to replace the whole mechanisms, if i can do it with limited knowledge, anyway thanks for your help so far
Tony
thanks for the reply regarding fuses and the link,
The central locking seems to be working and I think I can get the latch out, I`m a little afraid of taking it out completely due to restricted accesses. I think it could be the arm that connects to the latch or the motor that operates the latch, (chicken and egg) The latch seems to be stuck so the doors wont close, just bangs against the catch bar (if you know what I mean) I may have to replace the whole mechanisms, if i can do it with limited knowledge, anyway thanks for your help so far
Tony




